13805232644
配電式(shì)隔離器(通常(cháng)稱配電器)的(de)作用是爲原(yuán)工業現場提(tí)供一種兩線(xian)制傳輸方式(shi),既要爲變送(song)器等一次儀(yí)表☁️提供24V配電(dian)🤞電源,同時又(yòu)要對輸入的(de)電流信号進(jìn)行采集、放大(da)、運算、国外年❌轻女RAPPER㊙️和進行(háng)抗幹擾處理(lǐ)後,再輸出隔(ge)離的電流和(hé)電壓信号,供(gòng)後面的二次(cì)儀表或其它(tā)儀表使用。
産(chǎn)品應用:将變(biàn)送器4~20mA信号隔(gé)離傳送。可選(xuan)擇4~20mA或1~5V信号輸(shū)出,或其它🏃所(suǒ)需的直流信(xìn)号,模塊化表(biǎo)芯設計,無需(xu)零點和滿度(dù)調節。帶有工(gong)作電源⭐指示(shi)燈。
.jpg)
CML2020D 電流信号(hào)輸入配電隔(ge)離器(一入一(yī)出)
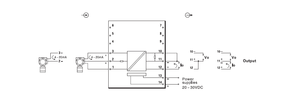
CML2020D 配電隔離(lí)器是向現場(chǎng)的變送器提(tí)供隔離的電(dian)源電壓,并将(jiāng)變送器産生(sheng)的 4~20mA信号經本(ben)隔離器轉換(huàn)成所需的直(zhi)流信号至控(kong)制系統或其(qí)它智能儀表(biǎo)。LDG8041電流信号輸(shu)入配電隔離(lí)器需要獨立(lì)供電,供電電(diàn)源-輸入回路(lu)-輸出回路之(zhī)間電磁隔離(li)。 一、CML2020D 配電隔離(li)器特性: 1、給變(bian)送📱器提供驅(qu)動電壓16.5~28V; 2、将變(biàn)送器4~20mA信号隔(gé)離傳送,其它(tā)所需的直流(liú)信号; 3、模塊化(hua)表芯設計,無(wu)需零點和滿(man)度調節; 4、單通(tōng)道✨,一路輸入(ru)一路輸出,輸(shu)入回路短路(lu)保護; 5、帶有🔆工(gong)作電源指示(shi)燈;
| ? |
|